Wiifree 2.50 avec support LCD


Messages recommandés

Posté(e)

Vashiee propose une variante non officielle pour le moment du firmware WiiFree.

Cette variante apporte un 1er support pour un écran LCD à destination des modchips fonctionnant avec le WiiFree. Pour le moment seule l'indication "WiiFree 2.50 loaded" est affichée mais si le concept intéresse nombre d'utilisateurs du WiiFree d'autres fonctionnalités pourraient être ajoutées.

11462_IMG_47742_122_862lomini.jpg

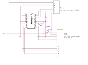
Ci-dessous le schéma de fabrication :

f_wiifree250m_03bba5amini.png

download.gif Wiifree 2.50 avec support LCD

Source : MaxconsoleLien vers article original : http://wii.gx-mod.com/modules/news/article.php?storyid=669

Créer un compte ou se connecter pour commenter

Vous devez être membre afin de pouvoir déposer un commentaire

Créer un compte

Créez un compte sur notre communauté. C’est facile !

Créer un nouveau compte

Se connecter

Vous avez déjà un compte ? Connectez-vous ici.

Connectez-vous maintenant